[VOD]MATLAB/Simulink×FPGAで作るUSBスペクトラム・アナライザ
電波を可視化&計測するソフトウェア無線の信号処理技術を学ぶ
2023年4月15日
|
|---|
- 型名:z-usb104a7-on1
- 定価:5,500円(税込・送料無料)
- 著者・講師:土屋 博之/Hiroyuki Tsuchiya / 佐藤 寛之/Hiroyuki Satou (マリモ電子工業株式会社)
- 主催:Digilent Inc.
- 企画編集: ZEPエンジニアリング株式会社
- 関連製品:[VOD/KIT]初めてのソフトウェア無線&信号処理プログラミング 基礎編/応用編
- 関連製品:[VOD]Pythonで学ぶ マクスウェル方程式 【電場編】+【磁場編】
- 関連製品:[VOD]Pythonで学ぶ やりなおし数学塾1【微分・積分】
- 関連製品:[VOD]Pythonで学ぶ やりなおし数学塾2【フーリエ解析】
- 関連製品:[VOD/KIT]3GHzネットアナ付き!RF回路シミュレーション&設計・測定入門
- 関連製品:[VOD/KIT]3GHzネットアナ付き!初めてのIoT向け基板アンテナ設計
- 関連記事:超長距離無線LoRaからローカル5Gまで!GNU Radio×USRPで作るソフトウェア無線機
- 関連記事:Zynq搭載ボードの決定版“Eclypse Z7”で始める高速信号処理システム開発
- 関連記事:自宅で設計・開発!USBミクスト・シグナル・アナライザ Analog Discovery Pro 3000 誕生
- 関連記事:高精度基準搭載&1GSPS広帯域!プロ用USBマルチ測定器 ADP5250誕生
本製品のあらまし
本製品は,2022年9月24日,ZEPエンジニアリングが開催・収録したセミナ「MATLAB/Simulink×FPGAで作るUSBスペクトラム・アナライザ[ソースコード付き]」の講義と講義テキスト,およびサンプル・ソースコード一式をまとめたオンライン教材です.本製品ご購入後,講義ビデオ,講義テキスト,ソースコードのダウンロードURLとパスワードをメールでお知らせいたします.
なお,本製品のすべての映像,画像,文書テキスト,ソースコードは,著作権法によって厳格に守られています.無許可の転載,複製,転用は法律により罰せられます.
講義ビデオの内容
サンプリングの速いA-DコンバータやD-Aコンバータやパフォーマンスの高いプロセッサが手軽に入手できるようになりました.その結果,数十MHz超の高周波(RF)アナログ信号のディジタル信号への直接変換や,FFTやフィルタリングなどの数値演算処理が容易に実現できるようになりました.また,信号処理のアルゴリズムを高い抽象度で自在に記述したり,モデリングしたりできる数値演算ソフトウェア MATLAB/Simulinkは,フレキシブルなディジタル信号処理を可能にしてくれます.
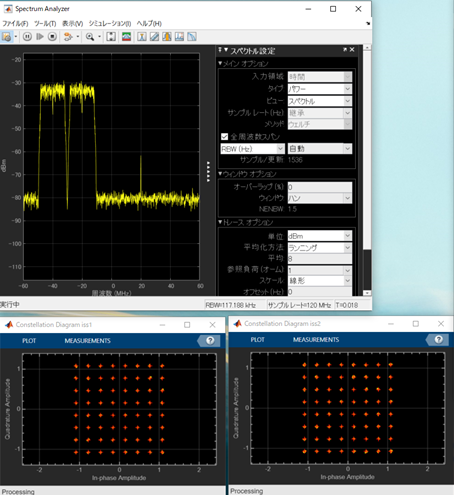
本セミナでは,これらのツールを総動員して,プログラマブルなスペクトラム・アナライザを作ります.具体的には,高速A-Dコンバータでサンプリングして得たディジタル信号をFPGAで中間処理して,USB経由でパソコンに転送します.さらに,MATLAB/Simulinkで演算処理して,その結果(スペクトラムや波形)をグラフ表示します.デモに使用するデバイスは,FPGAキット USB104 A7(Digilent製)とA-Dコンバータ・モジュール Zmod Scope 1410-105(14ビット,100MS/s,帯域70MHz,Digilent製)です.本講演では,MATLAB/SImulinkモデルから直接HDLコードを生成するモデル・ベース・デザインの具体的な方法も紹介します.
| サンプル動画1 講義のあらましと目標 | サンプル動画2 開発環境の構築 | サンプル動画3 Matlabプログラミング |
- 第1部 イントロダクション
- 第2部 開発環境の構築
- 第3部 信号処理数値解析ソフトウェア MATLAB/Simulinkによるスペクトラム・アナライザの実装
- 第4部 モデル・ベース・デザイン(MBD)によるスぺクトラム・アナライザの実装
MATLAB/Simulinkモデル・ベース・デザインの実装例
MATLAB/Simulinkの概要: ToolBox,コード生成のオプション
ハードウェア・サポート・パッケージの紹介
Zmod ADC 1410のデモを動かす
開発ツール: Vivado,minGW-w64,Visual Studio Code,MATLAB R2021bのインストール
信号処理の例,画像伝送無線機への応用
MATLAB/SimulinkとUSB 104 A7とのインターフェース検討
USB104A7_ZmodADCデモ・アプリの改造
改造したUSB104A7_ZmodADCデモ・アプリの単体テスト
モデリングと実装
MBDの効果
MBDでFFTを行うIPをFPGAに実装する
MBDの設計フロー
HDL化可能なサンプル・ベース・モデルの作成
サンプル・ベース・モデルの単体動作確認
HDL CoderによるIPのコード生成
FPGAデザインへ生成したIPを組み込む
実機による動作確認
本製品を購入ずみの方へ ~視聴方法のご案内~
下記リンク先(青字)をクリックして,本製品購入後にメールにてお知らせしたパスワードを入力してください.
全192分 講義ビデオ(著作権保護のためパスワードがかけられています)
MATLAB/Simulink×FPGAで作る USBスペクトラム・アナライザ.mp4
- 0:00:10 自己/セミナーの紹介
- 0:01:32 セミナーの目的
- 0:02:50 セミナーで取得できること
- 0:04:21 セミナーで実現きるもの
- 0:07:41 セミナーの概略フロー
- 0:09:04 ①各種紹介
- 0:09:09 協賛 Digilent Inc.
- 0:11:31 マリモ電子工業株式会社
- 0:13:06 マリモ電子工業株式会社:アナログ・デバイセズ アライアンスパートナー
- 0:15:29 マリモ電子工業株式会社:MATLAB/Simulinkモデルベースデザインの実装例①
- 0:17:46 マリモ電子工業株式会社:MATLAB/Simulinkモデルベースデザインの実装例②
- 0:18:40 マリモ電子工業株式会社:MATLAB/Simulinkモデルベースデザインの実装例③
- 0:20:01 MATLAB/Simulinkの概要:MATLAB
- 0:21:14 MATLAB/Simulinkの概要:Simulink
- 0:21:58 MATLAB/Simulinkの概要:ToolBox、コード生成のオプション
- 0:23:06 MATLAB/Simulinkの概要:ハードウェアサポートパッケージ
- 0:24:33 ②開発環境の構築:Zmod ADC 1410のデモを動かす
- 0:25:09 作業フォルダの確認
- 0:26:50 ハードウェアの紹介
- 0:28:39 Digilent参考サイト
- 0:29:20 Digilentのデモデザインのダウンロード
- 0:31:46 Digilentの各種ツールのインストール
- 0:34:35 TeraTermのインストール
- 0:36:02 デモ機の接続
- 0:38:58 デモの動作確認
- 0:46:23 デモの技術解説
- 0:54:51 ②開発環境の構築:開発ツールのインストール
- 0:55:02 使用する開発ツールのリスト
- 0:56:55 Vivado
- 1:06:06 GCC(C言語コンパイラ)minGW-w64
- 1:07:59 Visual Studio Code
- 1:12:42 MATLAB R2021b
- 1:13:45 ③MATLAB/Simulinkによるスペアナの実装:信号処理の例(ソフトウェア無線)
- 1:14:18 画像伝送無線機への応用
- 1:41:45 ③MATLAB/Simulinkによるスペアナの実装:ハードウェアとの接続
- 1:42:08 MATLAB/SimulinkとUSB104A7とのインタフェース検討
- 1:44:59 作業フォルダの確認
- 1:45:56 USB104A7_ZmodADCデモアプリの改造
- 1:50:03 改造したUSB104A7_ZmodADCデモアプリの単体テスト
- 1:56:32 ③MATLAB/Simulinkによるスペアナの実装:モデリングと実装
- 1:56:48 作業フォルダの確認
- 1:57:02 FFTについておさらい
- 2:06:33 USBスペアナのモデル
- 2:09:50 USBスペアナのモデルを動かす前に
- 2:12:23 いよいよ完成
- 2:17:25 ④MBDによるスペアナの実装:MBDの効果
- 2:17:47 モデルベースデザインとは
- 2:20:51 リファレンスモデルの例(ソフトウェア無線)
- 2:22:10 HDLコード生成可能なモデルの例(ソフトウェア無線)
- 2:32:48 HDLコード生成可能なモデルの最適化例
- 2:37:05 ④モデルベースデザイン(MBD)によるスペアナの実装
- 2:37:13 作業フォルダの確認
- 2:37:28 MBDでFFTを行うIPをFPGAに実装する
- 2:38:37 MBDの設計フロー
- 2:40:43 インタフェース仕様の決定
- 2:42:33 HDL化可能なサンプルベースモデルの作成
- 2:49:01 サンプルベースモデルの単体動作確認
- 2:49:55 HDL CoderによるIPのコード生成
- 3:00:08 生成したIPのFPGAデザインへの組み込み
- 3:06:54 実機による動作確認
全137頁 講義テキスト(著作権保護のためパスワードがかけられています)
221015_rev2_matlab_speana.pdf(全137頁)
サンプル・ソースコード(著作権保護のためパスワードがかけられています)
受講対象
- ディジタル信号処理システムの設計者,開発者
- 信号処理システムのモデルベース・デザインを体験したい方
- 計測器や無線器の設計者
略歴
- 1984年 計測器メーカで,ハードウェアおよびソフトウェア設計の開発に従事
- 1996年 マリモ電子工業株式会社で,ハードウェアおよびソフトウェア設計の受託開発に従事
- 2009年 同マリモ電子工業株式会社の取締役に就任.MATLAB/Simulinkによるモデル・ベース・デザインを導入し,ソフトウェア無線をはじめとするディジタル信号処理機器に応用
- 2016年~2019年 MathWorks社やアナログ・デバイセズ社のソフトウェア無線セミナで講師を担当




























































