[VOD]定番3D CAD「Fusion360」&プリンタ 10の活用ノウハウ
アセンブリ・モデルの作成からメカ設計/造形/高精度仕上げまで
2024年4月8日
![]() |
|---|
- 型名:z-3dcadprint-on1
- 仕様:講義252分,解説124頁,実習用ソース
- 定価:9,900円(税込)
- 著者・講師:原井 達紀(インターステラテクノロジズ株式会社)
- 企画編集・主催: ZEPエンジニアリング株式会社
- 1人当たり1ライセンスです
学ぶこと
あらまし
本VODでは,メカ設計の初級者を対象に,3D CADと3Dプリンタの活用方法を学びます.また,基本的な構成部品とその組み合わせ方についても解説します.
3D CADでの作図は自由度が高いですが,モデリングの手順によって作図効率や保守性が異なります.3Dプリンタと組み合わせることで素早いプロトタイピングが可能になりますが,最初のモデル完成後には細部の調整が必要です.
適切な手順で描くと,きれいなモデルが出来上がります.きれいなモデルはプロトタイピングの開発サイクルを短縮します.
アジェンダ
(1)メカ設計とものづくり
- メカ設計と3D CAD
- ものづくりと3DP
- コンカレントとイテレーション
(2)3Dxと開発プロセス
- V字プロセスの概説
- 実現性検討のサイクル
- 要求分析と要件定義
- 論理設計と物理設計
(3)モデリングの戦略
- きれいなモデル
- コマンドの組み合わせで手数が変化する実例を提示
- 設計意図の説明
(4)Fusion360の解説
- 基本用語の解説
- ファイル形式
- ヒストリとパラメトリック機能の解説
- グリッド・スナップ拘束の動画解説
(5)Fusion360の演習
- 演習① 手数比較
- 演習② スケッチ
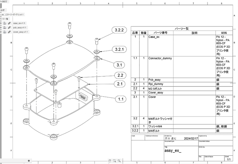
- 演習③ ケース作成
- 演習④ アセンブリ
(6)機械加工と製造
- 加工の種類と特徴
- コストの抑え方
- 製品の環境試験
(7)3Dプリンタの解説
- 3Dプリンタの基礎知識
- 低価格と高価格の3Dプリンタの比較
- 3Dプリントをするには
- 3Dプリンタと従来製法の比較
- 一歩進んだ3Dプリンタの使いかた:DfAM
- どんな寸法にするか迷ったら
ショート・セミナ
ケースにプリント基板を配置する
3Dプリンタによる積層造形
受講対象
メカ設計の初心者(専業でも,エレキエンジニアのサブスキルとしてでもOK)
あると望ましい予備知識
基礎的な製図の知識
講演の目標
- 3D CADと3Dプリンタによる 設計~「作ってみた」までの一貫した知識を習得する
- 3D CADと3Dプリンタも使うメリット・デメリットを学び,有利に活用する
演習で使用するソフトウェア
演習はAUTODESK製Fusion360を使用します.
商用版,無償体験版,個人用(機能限定版)のいずれでも実施可能です.
※演習開始前に,後述の講義テキスト.zipを解凍し,表示される演習準備資料.pdfを参照してFusion360のインストールと演習用ファイルの展開を済ませておいてください.
本オンデマンド製品を購入された方へ ~視聴リンクとパスワード~
下記リンク先(青字)をクリックして,本製品購入後にメールにてお知らせしたパスワードを入力してください.
336分講義ビデオ(著作権保護のためパスワードがかけられています)
3D_CAD&3Dプリンタ 講義動画.mp4
- 0:00:10 イントロダクション
- 0:03:05 (1)メカ設計とモノづくり
- 0:27:10 (2)3Dxと開発プロセス
- 1:01:25 (3)モデリング戦略
- 1:20:34 (4)Fusion360の解説
- 1:28:56 (5)Fusion360の演習
- 1:29:34 – 演習① 手数比較
- 1:50:27 – 演習② スケッチ
- 2:29:56 – 演習③ ケース
- 2:57:26 – 演習④ アセンブリ
- 3:22:44 (6)機械加工と製造
- 3:40:16 (7)3Dプリンタの解説
- 4:02:07 まとめとQ&A
講義テキスト(著作権保護のためパスワードがかけられています)
演習用ファイル(著作権保護のためパスワードがかけられています)
講師紹介
略歴
自動車部品メーカで設備設計や自動運転技術の開発などに携わる.
2019年よりインターステラテクノロジズ株式会社入社.艤装設計や電力/電装設計を担当
主な著書
ディジタル時代!3Dメカ設計&製作の基礎知識,トランジスタ技術 2022年9月号,CQ出版社
参考URL
Digi-Keyチャネルにて下記の動画を公開中
パーツキットと講義動画でプロの技術を1日習得
スピードマスタ・シリーズ
電子回路・基板設計からプログラミングまで,エンジニアがマスタすべき技術は多岐にわたり,開発期間も短くなっています.多くの書物を読み漁ったり,玉石混交のネット情報に振り回されたりしている暇はありません.
本シリーズには,各分野の一線で活躍する技術者が厳選したパーツセット,設計の要点を効率よく解説するセミナ動画,講義テキスト,お手本ソースコードなどが同梱されています.百戦錬磨の技を一見することで,未経験の技術が驚くほど短時間で身につくだけでなく,信頼性の高いシステム開発に必要なプロの眼が養われます.


























































