Access:2,039
[KIT]実験用28GHzミリ波パッチ・アンテナ
アンテナ・ゲイン5dB,3脚取り付け用アルミ製基台付き
2023年4月15日
- 型名:mz-mmant1
- 仕様:アンテナ,アルミ製基台.3脚スタンドとSMPMコネクタ-Kコネクタ(2.92mm)変換同軸ケーブルは別売.SMPMコネクタは本体に実装ずみ
- 定価 43,780円(税込・送料無料)
- 開発:株式会社ラジアン(加藤 隆志/Takashi kato)
- 企画編集・主催: ZEPエンジニアリング株式会社
- 関連製品:[KIT]ミリ波5G対応アップ:ダウン・コンバータ(生産終了品)
- 関連製品:[KIT]ミリ波5G対応アップ・ダウン・コンバータ MkⅡ(mz-mmcon1後継機)
- 関連製品:[KIT]実験用800M~6GHz 広帯域90°ハイブリッド
- 関連製品:[KIT]実験用27.5G-29.5GHzバンド・パス・フィルタ
- 関連製品:[VOD/KIT]GPSクロック・ジッタ・クリーナ
- 関連製品:[VOD]MATLAB/Simulink×FPGAで作るUSBスペクトラム・アナライザ
- 関連製品:[VOD/KIT]3GHzネットアナ付き!RF回路シミュレーション&設計・測定入門
- 関連製品:[VOD/KIT]3GHzネットアナ付き!初めてのIoT向け基板アンテナ設計
- 関連製品:[VOD/KIT]初めてのソフトウェア無線&信号処理プログラミング 基礎編/応用編
- 関連製品:[VOD]Pythonで学ぶ マクスウェル方程式 【電場編】+【磁場編】
- 関連製品:[VOD]Pythonで学ぶ やりなおし数学塾1【微分・積分】
- 関連製品:[VOD]Pythonで学ぶ やりなおし数学塾2【フーリエ解析】
- 関連記事:超長距離無線LoRaからローカル5Gまで!GNU Radio×USRPで作るソフトウェア無線機
概要
本製品は,28GHz帯のミリ波伝搬実験用のパッチ・アンテナです.アンテナ・ゲインは約5dBです.
下図に,ミリ波5G対応アップ・ダウン・コンバータ実験キット mz-mmcon1との接続例を示します.接続には,SMPMコネクタ-Kコネクタ変換同軸ケーブル 7032-6757 (Amphenol製)が利用できます.
ネジ穴が付いたアルミ製の基台が付属しており,市販の一般的なムービやカメラ用の3脚スタンドに取り付けることが可能です.プリント基板材はRogers 4350B,板厚は0.254mmです.
技術適合証明は取得しておりません.本製品は電波暗室でご利用ください.
インピーダンス(シミュレーション)
[参考動画]ローカル5G/6G開発の実際と始め方
| (a)東京都立大学 ローカル5G環境の概要と活用の方向性 | (b)ローカル5Gおよび6Gに向けたMIMOハードウェア装置と評価法 | (c)ローカル5G基地局のハードウェア開発 |
|---|---|---|
| (d)27G~43GHzミリ波5G用アップ・ダウン・コンバータ mz-mmcon1 | (e)ミリ波5Gアンテナ開発の現状 |
技術資料
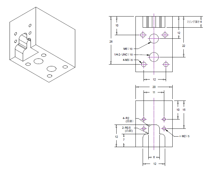
- 本アンテナ・キットのアルミ・ブロックの寸法図
- SMPMコネクタ-Kコネクタ変換同軸ケーブル 7032-6757データシート
- [キット・モジュール]ミリ波5G対応アップ・ダウン・コンバータ mz-mmCon1
- [キット・モジュール]
実験用27.5G-29.5GHzバンド・パス・フィルタ mz-mmBPF1 - 開発元(Radiun社)紹介ページ「mmCon1用28GHz帯バンドパス・フィルタ mmBPF1」
- 5G時代の先進ミリ波ディジタル無線実験室[Vol.1 ミリ波の性質と広帯域通信の実験環境]
- 5G時代の先進ミリ波ディジタル無線実験室[Vol.8 初めての28GHzミリ波伝搬実験]
- 5G時代の先進ミリ波ディジタル無線実験室[Vol.9 帯域優先?精度優先?2種類の周波数変換方式]


































































